BỘ TRAO ĐỔI NHIỆT DẠNG TẤM GIOĂNG CF30

 Bộ trao đổi nhiệt dạng tấm với gioăng CF30 được thiết kế với nhiều tấm truyền năng lượng kết hợp với gioăng làm kín, ứng dụng trao đổi năng lượng nhiệt từ một lưu chất sang lưu chất khác với hiệu suất tối đa. Bộ trao đổi nhiệt đáp ứng và ứng dụng rộng rãi trong nhiều ngành công nghiệp. Cùng với các ưu điểm hiệu suất cao, nhỏ gọn, dễ dàng tháo lắp, vệ sinh và vi sinh.

 

Bộ trao đổi nhiệt được thiết kế, tùy chỉnh các tấm theo mỗi nhu cầu ứng dụng, đa năng và hiệu suất trao đổi năng lượng nhiệt cao, trở thành giải pháp hoàn hảo được cân nhắc cho nhiều ứng dụng.

 

 

Tấm trao đổi năng lượng được thiết kế và chế tạo bằng vật liệu kháng ăn mòn từ thép không gỉ AISI SS304/SS316/titan. Các tấm được treo, sắp xếp lên thanh dẫn hướng và kết hợp với gioăng kín sau đó được siết chặt bằng bu lông giữa khung cố định và khung dịch chuyển. Tạo khoảng cách nhất định giữa các tấm cho phép lưu chất di chuyển theo hướng định sẵn của thiết kế từ các ngõ vào đến ngõ ra. 

 

Thông số kỹ thuật:

  Vật liệu tấm: AISI SS304/SS316/titanium. Các vật liệu khác có sẵn theo yêu cầu

  Khung: Thép cacbon sơn RAL 5017

                Thép không gỉ

  Vật liệu gioăng: EPDM, NBR và Viton

  Áp suất làm việc lên đến 25 bar

  Nhiệt độ hoạt động lên đến 180°C

  Kích thước kết nối DN50

  Kiểu kết nối: ren BSP, NPT, bích, ngàm kẹp, ren vi sinh

 

Lợi ích từ công nghệ của chúng tôi:

 - Tấm trao đổi năng lượng được thiết kế tối ưu với dòng chảy rối cao, khả năng bám bẩn thấp, dòng chảy liên tục và thời gian lưu trú của lưu chất ngắn 

 - Độ sâu ép đa dạng giúp tăng hiệu quả dòng chảy và giảm nguy cơ tắc nghẽn

 - Thiết kế linh hoạt với nhiều kích thước tấm, cấu hình các tấm được sắp sếp khác nhau

 - Dễ dàng tiếp cận bề mặt truyền nhiệt, khả thay đổi cấu hình để phù hợp khi thay đổi nhu cầu, công năng sử dụng bằng cách thay đổi số lượng tấm truyền năng lượng

 - Kết cấu thiết kế kết hợp gioăng làm kín, nguy cơ rò xì thấp

 - Trao đổi năng lượng hiệu quả, hệ số trao đổi năng lượng cao cho cả hai dòng lưu chất

 - Khả năng rò rỉ, trộn lẫn giữa hai lưu chất thấp

 - Cùng một khung kết cấu có thể kết hợp nhiệm vụ truyền năng lượng cho hơn hai lưu chất

 - Chỉ có các cạnh của tấm tiếp xúc với môi trường, tổn thất năng lượng nhiệt không đáng kể

 - Kết cấu bộ gia nhiệt dạng tấm, nhỏ gọn, tiết kiệm không gian làm việc

 - Lắp đặt đơn giản, dễ dàng

 

Ứng dụng tiêu biểu:

  Hệ thống gia nhiệt                                                             Ngưng tụ hơi nước

  Hệ thống làm mát                                                              Hệ thống nước nóng sinh hoạt

  Thu hồi nhiệt                                                                      Trung tâm dữ liệu

 

Tiêu chuẩn thiết kế kết cấu:

  EN13445

  ASME phần VIII, Mục 1

 

Lĩnh vực khách hàng:

 - Bệnh viện, khách sạn                                                    - Nhuộm

 - Thực phẩm chế biến                                                     - Hóa chất

 - Dược phẩm                                                                     - Lọc, hóa dầu

 - Bột giấy, giấy, giấy carton                                            - Nhiệt điện

 - Đồ uống, bia                                                                   - Nhiều ngành nghề khác

 - Giặt ủi

 

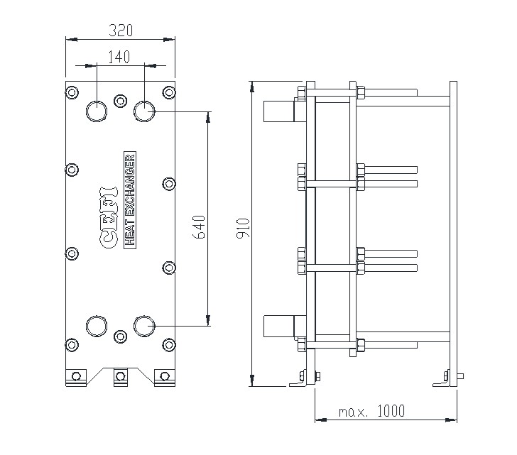
Kích thước (mm):